Melobangi Dinding untuk Pintu
Mari kita selesaikan rumah 3d-nya,
tukar 3DView menjadi TOP, lalu klik tombol 2DWireFrame (perhatikan perobahan pada UCS {sumbu koordinat}), dan buat sebuah layer baru dengan nama “pintu 3D“.

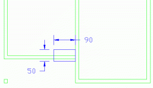
1. Misalkan ukuran lebar pintu adalah 80 cm ditambah dengan kusen menjadi 90 cm

2. Oleh karena itu buatlah sebuah rectangle dengan ukuran 90 x 50 (50 adalah ukuran yang diusahakan lebih tebal dari tebal dinding3d) dan tempatkan pada lokasi pintu.

3. Kemudian copy-kan lagi ke beberapa rencana lokasi pintu (asumsi: hanya 1 ukuran pintu)

4. Setelah itu kembali lihat gambar dalam bentuk 3D / isometric

5. Setelah itu extrude-lah semua rectangle pintu dengan ketinggian 250 (tinggi pintu 200 cm + ventilasi 50 cm)

6. Ketik perintah “subtract” atau “su” diikuti dengan enter, kemudian klik terlebih dahulu dinding lalu enter kemudian klik semua pelobang dinding tadi (90 x 50 x 250) kemudian enter.


tukar 3DView menjadi TOP, lalu klik tombol 2DWireFrame (perhatikan perobahan pada UCS {sumbu koordinat}), dan buat sebuah layer baru dengan nama “pintu 3D“.
1. Misalkan ukuran lebar pintu adalah 80 cm ditambah dengan kusen menjadi 90 cm
2. Oleh karena itu buatlah sebuah rectangle dengan ukuran 90 x 50 (50 adalah ukuran yang diusahakan lebih tebal dari tebal dinding3d) dan tempatkan pada lokasi pintu.
3. Kemudian copy-kan lagi ke beberapa rencana lokasi pintu (asumsi: hanya 1 ukuran pintu)
4. Setelah itu kembali lihat gambar dalam bentuk 3D / isometric
5. Setelah itu extrude-lah semua rectangle pintu dengan ketinggian 250 (tinggi pintu 200 cm + ventilasi 50 cm)
6. Ketik perintah “subtract” atau “su” diikuti dengan enter, kemudian klik terlebih dahulu dinding lalu enter kemudian klik semua pelobang dinding tadi (90 x 50 x 250) kemudian enter.
Tidak ada komentar:
Posting Komentar